Sincro Alternator Wiring Diagram. Single-phase sensing and power supply with independent auxiliary windings. 102440GS ALTERNATOR SINCRO LK60 No Longer Available Connect With Us.
Collection of delco 3 wire alternator wiring diagram. It reveals the elements of the circuit as streamlined shapes and the power and signal links in between the gadgets. View and Download Sincro ER2CXH use and maintenance manual online.
Alt Wire Diagram Alternator Wiring And Out The Dash Warning Light 12 Volt Alternator Wiring Diagram.
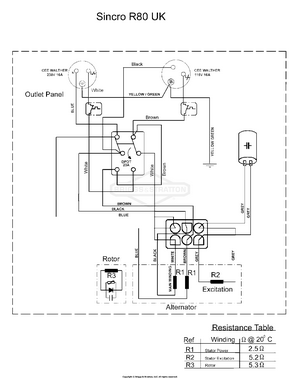
B is the alternator output wire that supplies current to the battery. View and Download Sincro ER2CXH use and maintenance manual online. 1 102059GS 1 FLANGE ALTERNATOR 2 102046GS 1 FAN ROTOR SINCRO R80 3 102056GS 1 ROTOR SINCRO R80 4 102052GS 1 DIODE VARISTOR ASSY 5 102057GS 1 ROTOR BOLT SINCRO R80. GM alternator wiring GM alternator wiring.
