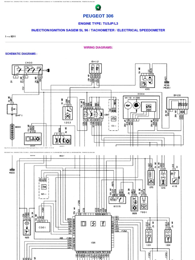
Peugeot 306 Fuel Pump Wiring Diagram

WIRING DIAGRAM Information And Wallpaper, Images, Logo Full HD.

Peugeot 306 Fuel Pump Wiring Diagram.

Engine Diagram Peugeot 7 Komplete
Engine Diagram Peugeot 7 Komplete from www.pinterest.com

close