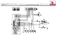
Mase Generator Wiring Diagram. Is 65 - 76 10 mase i indice i. GENERATORS - 16 - GB IS 65 1 GENERAL INFORMATION Carefully consult this manual before proceeding with any operation on the generator.
The majority of the labor involved in the generator installation is in the wiring. 2 - 08-Feb-09 Reply. This kit will provide you the ability to pre-wire your home or business in anticipation of the eventual purchase of a GUARDIAN home standby generator.
2 - 08-Feb-09 Reply.
This manual is written by the manufacturer for the purpose of providing. 25 portable generator pdf manual download. 25 workshop manual online. GENERATORS - 2 - IS 65 Fig.
